Hollywood action movies like Ocean’s Eleven and Mission Impossible have demonstrated numerous elaborate means of detecting intruders who are up to no good. Ultra-agile black-clad raiders make for great cinema, outsmarting pressure mats, laser fields, thermal cameras and other fiendish devices. In the real world, in countless homes and offices, a passive infrared sensor winking away in the corner of the room is often considered enough to dissuade the opportunistic burglar.
The PIR is regarded by homeowners and security companies as being the intruder-detection technology best suited to domestic applications: economical, reliable, adjustable to tune-out false alerts, the PIR is the incumbent presence-detection technology of choice.
The enduring favorite
PIR manufacturers have evolved their sensors to overcome the known weaknesses of infrared sensing technology. The sensors depend on a temperature differential between the target and background, and also require the target to be moving, in order to detect presence. To minimize these effects, sensors in the Panasonic MP series, such as the AMN11112, integrate four receptors for precision detection of even small movements. The receptors are sensitive to small temperature differences, which ensure accurate detection even in hot climates where ambient temperatures can be close to human body temperature.
Panasonic has also miniaturized its receptors, to ensure high sensitivity and accuracy from small units fitted with small lenses. A high level of integration, with a built-in amplifier, passive components, optical filter and electromagnetic shielding (Figure 1), simplifies design and enhances reliability. Constant evolution has ensured the PIR sensor remains a favorite of security-system designers.

Figure 1: Greater integration and sensitivity have kept PIR sensors at the top of designers’ wish lists.
Smart building demands more
Now that the age of the smart home has dawned, however, people are expecting sensors such as PIRs not only to support intruder detection but also to help automate the control of lighting, heating and other services by monitoring room occupancy. Some of the known characteristics of PIR sensing become weaknesses in this context. Since the sensor relies on detecting changes in the observed thermal scene, the target has to move in order to be detected. This is acceptable in a security system, because an intruder can be assumed to likely move around inside the house having gained access. Homeowners and their guests, on the other hand, may sit still for long periods in a room, for example if talking or watching a film. The system should not incorrectly determine that the room is unoccupied and begin turning off services such as lights or heating.
In addition, smart home services of the future may be dependent on gathering more detailed information about the occupant, such as their exact location in the room. This could allow the system to automatically optimize the lighting in a localized area – over a desk or kitchen work surface, for example – while dimming the remainder of the room lighting for optimum energy efficiency.
Smarter occupancy sensing can also help with services such as assisted living, as today’s ageing populations seek to live independently and safely in their own homes later into life. Younger relatives are often unable to act as full-time caregivers, and professional care is expensive. Automated supervision can provide a means of detecting whether an elderly homeowner needs assistance, allowing caregivers or emergency services to be alerted quickly.
Today’s PIR sensors, as well evolved as they are, are not able to capture the amount of detail needed to drive services such as these. A number of alternative sensing techniques are available. Video-based sensing, for example, could be used to allow caregivers to check periodically that an elderly person is safe at home, or to determine the exact location of an occupant in a room. Indoor video surveillance is not a desirable solution, however, for reasons of privacy. Partial surveillance may be considered, or video may be discarded after analysis, but still homeowners may feel generally uncomfortable.
Single-chip radar solution
In recent years, radar-based sensing technology has begun to enter consumer-related markets. One example is in automotive driver-assistance systems such as collision avoidance. Low-power radar transmitters working in the unlicensed 24 GHz ISM frequency range are now available at a cost that can be considered acceptable in the smart-home/smart-building market. The principles of detecting presence by monitoring reflected radio waves, and measuring distance by timing the return journey of the transmission, were first developed around the beginning of the 20th century.
A 24 GHz radar transceiver IC such as the Infineon BGT24MTR11 can be used to build a low-power sensor suitable for indoor occupancy detection. Radar technology enables advanced capabilities such as detecting non-moving occupants, determining the exact location of the occupant, and sensing the direction of any motion. As a further advantage of using radar technology in a domestic setting, the transmitter and sensor do not need an unimpeded line of sight to the target and hence can be positioned in an unobtrusive location. This could be behind lightweight building materials, such as ceiling tiles, hence allowing the sensor to be placed out of sight.
The BGT24MTR11 integrates one transmit and one receive channel, as needed for detecting occupancy and the speed and direction of motion, in a single device that requires only a small number of external capacitors to complete a fully operational circuit. This not only saves board space, but also eliminates RF matching challenges. If the system is required to sense the occupant’s location, two receivers are needed. The BGT24MTR12, which integrates two receive channels and one transmitter, is ideal for this purpose.
Design for low power operation

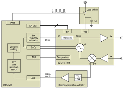
Figure 2: Pulsed-mode Doppler radar for indoor occupancy monitoring applications.
With maximum RF output power of 15 dBm, the BGT24MTR11 is safe to use in the ISM band. The total IC power consumption of 528 mW in continuous mode with maximum transmit power is able to be reduced significantly by applying a duty-cycling scheme that turns off the power supply to the chip in between measurements. Based on the measurement times needed to detect Doppler shift at low target speeds, activating the IC for only 10 ms in every 0.5 seconds allows target speeds of up to about 25 km/h to be measured with resolution of about ±1 km/h. This is adequate for typical indoor sensing applications, and reduces power consumption to only 12 mW per cycle.
Figure 2 shows how the radar IC is used in conjunction with the Infineon XMC4500 microcontroller, which programs the BGT24MTR11 registers through the SPI port, monitors the VCO frequency and controls the VCO tuning voltages via its on-chip DACs, and controls a load switch responsible for turning off the power to the BGT24MTR11 in between measurement cycles. As the diagram shows, only a small number of key components are required to complete the design.
Conclusion
As the smart building revolution gathers pace, new applications and services will require more detailed information describing the activities inside homes and buildings. Enhanced occupancy sensing technologies are needed to capture this information without compromising privacy. Radar-based sensing in the 24 GHz ISM frequency band is safe, discrete, and can now be achieved more easily than ever before by taking advantage of the latest single-chip transceivers that significantly simplify system design. Power-saving techniques have been demonstrated that enable designers to create low-maintenance sensors for indoor use that consume an average power of only 10 mW.
https://www.digikey.com/en/articles/techzone/2016/jan/making-smart-home-sensors-tell-us-more







