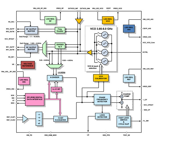
The STuW81300 comprises a fractional-N phase-locked-loop (PLL) core with low-noise wideband voltage-controlled oscillators (VCOs) and voltage regulators. Furthermore, the STuW81300 features a broad range of programmable hardware options to accommodate the needs of most current and future RF/Microwave applications, including radio links, satellite communications, base stations, and test and measurement equipment.
The use of microwave frequency bands (beyond 6GHz) is steadily increasing to support an ever-expanding number of applications, demanding a new class of radio equipment with an improved cost profile to enable new markets. Integrating discrete GaAs (gallium arsenide) architectures into a single-chip wideband SiGe device meets that need.
The STuW81300 key features:
- The widest frequency range from 1.925GHz to 16GHz (split over two RF outputs)
- +6dBm@6GHz and +4dBm@12GHz power at the internally broadband matched RF outputs
- Fundamental VCO rejection at doubler output higher than 20dB
- Normalized in-band phase-noise floor of -227dBc/Hz
- VCO phase noise (6.0GHz): -131dBc/Hz @ 1MHz offset
- Noise floor (6.0GHz): -158dBc/Hz
- Phase noise (12.0GHz): -125dBc/Hz @ 1MHz offset
- Noise floor (12.0GHz): -154dBc/Hz
- Typical RMS jitter of 0.13ps
An evolution of ST’s successful STW81200 and STW8110x family, the new synthesizer delivers high performance and flexibility while ensuring that the same board design can support multiple bands and RF standards. For example, in satellite applications the STuW81300 can be directly used as a local oscillator for mod/demod of Ku band signals or Ka band with an additional on-board frequency doubler. In other applications, STuW81300 can also fully drive external VCOs (e.g. in GaAs).
The STuW81300 is unique in its ability to be powered from a single unregulated supply, for instance 5V or 3.6V, with power consumption and performance tuning, which allows its application range to extend from traditional mains-powered infrastructure to low-power applications.
The STuW81300, priced at $11 for 1k unit orders, has been sampling and already adopted by a few selected customers. It will ramp up in volumes during 2016. An evaluation kit and samples in 6x6mm quad flat package are currently available upon request. The kit includes the STWPLLSim SW tool enabling fast and accurate tailoring of the application.
For further information please visit: www.st.com/stuw81300-pr


